CDA-4101 Lecture 12 Notes



Boolean Logic Exercises


Karnaugh Map Examples

For the following given boolean functions, use a Karnaugh Map to find a minimal, but equivalent function. Also draw the resulting circuit.

  1. Given:

          F(X,Y,Z) = X'YZ' + X'YZ + XYZ' + XYZ + XY'Z
        

    Answer:

          F(X,Y,Z) = Y + XZ
        
  2. Given:

          F(W,X,Y,Z) = W'X'Y'Z' + W'X'Y'Z + W'X'YZ + W'XYZ + WX'Y'Z'
                       + WX'Y'Z + WX'YZ' + WXYZ
        

    Answer:

          F(W,X,Y,Z) = X'Y' + W'X'Z + XYZ + WX'Z'
        
  3. Given:

             F(X,Y,Z) = X'Y'Z + X'YZ + XY'Z + XYZ' + XYZ
        

    Answer:

            F(X,Y,Z) = Z + XY
        
  4. Given:

           F(A,B,C,D) = A'B'C'D + A'BCD + AB'C'D + ABC'D + ABCD
       

    Answer:

           F(A,B,C,D) = B'C'D + BCD + ABD
              OR
           F(A,B,C,D) = B'C'D + BCD + AC'D
        
  5. Given:

           F(W,X,Y,Z) = W'X'Y'Z' + W'X'YZ' + W'XY'Z + W'XYZ
                        + WX'Y'Z' + WX'YZ' + WXY'Z + WXYZ
       

    Answer:

          F(W,X,Y,Z) = XZ + X'Z'
        
  6. Given:

           F(A,B,C,D) = A'B'C'D + A'BC'D' + A'BC'D + A'BCD
                        + ABC'D' + ABCD' + ABCD
        

    Answer:

            F(A,B,C,D) = BC'D + BCD + A'BC' + ABD'
               OR
            F(A,B,C,D) = BC'D + A'BD + BC'D' + ABC
               OR
            F(A,B,C,D) = BC'D + BCD + BC'D' + ABD'
               OR
            F(A,B,C,D) = BC'D + BCD + BC'D' + ABC
       

Boolean Identity Examples

For the following given boolean expressions, use some boolean identities to covert it to the resulting expression.
  1. Given:

          (AB')'
        

    Result:

          A' + B
        
  2. Given:

          (X'YZ' + X'Y'Z)'
        

    Result:

          (X + Y' + Z)(X + Y + Z')
        
  3. Given:

          (XY + Z)(Y + XZ)
        

    Result:

          XY + XYZ + YZ + XZ
        

Computing Dual of Boolean Expression

Compute the duals of the following given boolean expressions.

  1. Given:

          AB + C'D + E'
        

    Answer:

          (A + B)(C' + D) E'
        
  2. Given:

          (A + 1)(B0 + C)
        

    Answer:

          (A0) + ((B + 1) C)
        
  3. Given:

          (A' + B0 + 1)(AB' + C) D + A'B
        

    Answer:

          ((A' (B + 1) 0) + ((A + B') C) + D)(A' + B)
        

Circuit using only NOR/NAND gates.

Show how to implement the following boolean logic functions using only NOR gates.
  1. Function:

          AC' + BC'
        

    Answer:


Implementing circuits with MUX or Decoder

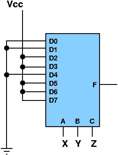
Using only an 8 to 1 multiplexor, show how to implement the circuit computing:
  1. Function:

          F(X,Y,Z) = X'YZ' + X'YZ + XYZ' + XYZ + XY'Z
        

    Answer:

  2. Function:

          F(X,Y,Z) = X'Y'Z + X'YZ + XY'Z + XYZ' + XYZ
        

    Answer:

Using only an 3 to 8 decoder, show how to implement the circuit computing:
  1. Function:

             F(X,Y,Z) = X'YZ' + X'YZ + XYZ' + XYZ + XY'Z
        

    Answer:

  2. Function:

          F(X,Y,Z) = X'Y'Z + X'YZ + XY'Z + XYZ' + XYZ
        

    Answer: